Čov EN 15-20
ČOV EN 15-20
Kód: EN 15-20
Dostupnost: 1 – 2 týdny
Záruka: 24 měsíců
Cena bez DPH: 90 000,- Kč
Cena s DPH 21%: 108 900,- Kč

Námi nabízené a dodávané ČOV (čistírny odpadních vod) jsou určeny pro likvidaci odpadních vod z nejmenších zdrojů znečištění tj. rodinných domů, penzionů, provozoven, chalup, apod. Umožňují čištění odpadních vod ze sociálních zařízení, kuchyní, myček nádobí, automatických praček.
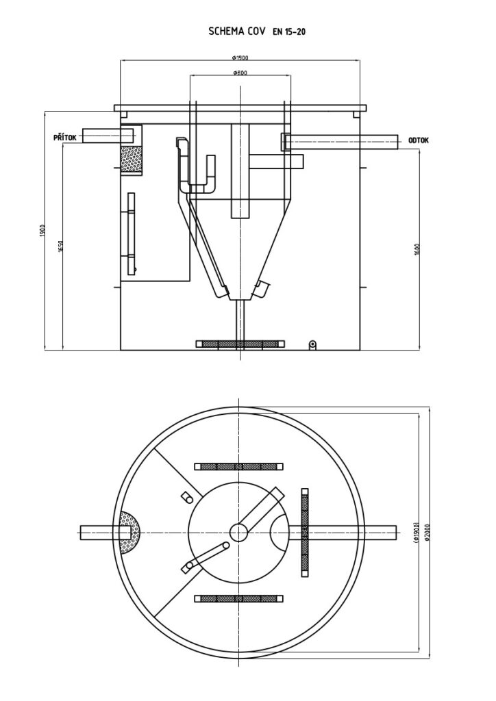
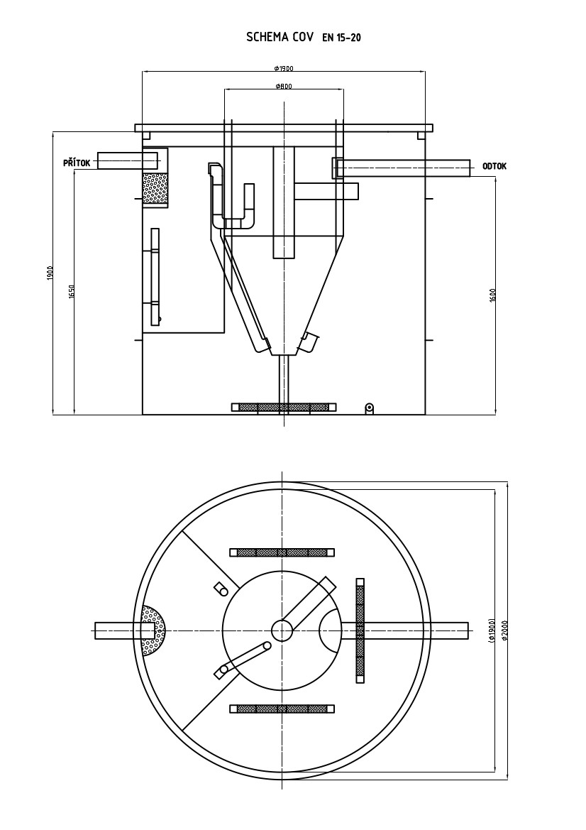
ČOV typové řady EKO-NATUR slouží k aktivačnímu aerobnímu čištění splaškových odpadních vod. Typová řada EKO-NATUR je určena pro 3 až 25 ekvivalentních obyvatel a je konstruována v souladu s ČSN 76 6042 (čistírny odpadních vod do 500 ekvivalentních obyvatel). Pro více obyvatel jsme schopni na základě individuálního požadavku navrhnout, vyrobit a namontovat ČOV dle ČSN 756401.
Výhody čistíren odpadních vod EKO-NATUR
- Bez nutnosti betonování
- Vysoká účinnost čištění
- Vysoká životnost
- Nízké provozní náklady
- Jednoduchá instalace
Tichý provoz
- Minimální náročnost na údržbu
- Možnost využití vyčištěné vody k závlahám
- kapacita pro 2 až x osob

