ČOV EN 12-15
84 700 Kč včetně DPH 21%
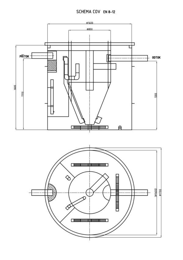
Čistírna odpadních vod ČOV EN 12-15 je určena pro 12 až 15 ekvivalentních obyvatel.
Popis
Námi nabízené a dodávané ČOV (čistírny odpadních vod) jsou určeny pro likvidaci odpadních vod z nejmenších zdrojů znečištění tj. rodinných domů, penzionů, provozoven, chalup, apod. Umožňují čištění odpadních vod ze sociálních zařízení, kuchyní, myček nádobí, automatických praček.
ČOV typové řady EKO-NATUR slouží k aktivačnímu aerobnímu čištění splaškových odpadních vod. Typová řada EKO-NATUR ČOV EN 12-15 je určena pro 12 až 15 ekvivalentních obyvatel a je konstruována v souladu s ČSN 76 6042 (čistírny odpadních vod do 500 ekvivalentních obyvatel). Pro více obyvatel jsme schopni na základě individuálního požadavku navrhnout, vyrobit a namontovat ČOV dle ČSN 756401.
Výhody čistíren odpadních vod EKO-NATUR
- Bez nutnosti betonování
- Vysoká účinnost čištění
- Vysoká životnost
- Nízké provozní náklady
- Jednoduchá instalace
Tichý provoz
- Minimální náročnost na údržbu
- Možnost využití vyčištěné vody k závlahám
- kapacita pro 12 až 15 osob
Další informace
| Kód: | ČOV EN 12-15 |
|---|---|
| Dostupnost: | 1 – 2 týdny |
| Záruka: | 24 měsíců |





